電動襯氟蝶閥
- 閥門型號:D971F46,D941F46,D971F4,D941F4
- 通徑規格:DN50~DN1200
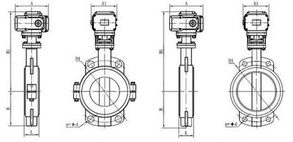
- 結構形式:中線型(對夾式,法蘭)
- 閥體材質:碳鋼WCB、不銹鋼304、316、316L等
- 公稱壓力:PN6、PN10、PN16
- 適用溫度:-20℃~180℃
- 應用范圍:腐蝕性流體及強酸強堿介質等
- 產品特點:密封性能好,具有超強的耐腐蝕性和耐磨性
電動襯氟蝶閥概述:
電動襯氟蝶閥是由電動執行器和法蘭或對夾式襯氟蝶閥組成,蝶閥閥座與密封面襯有氟塑料,具有零泄露、壽命長及超強的耐腐蝕性和耐磨性等優點。電動襯氟蝶閥根據不同工況條件選擇不同的襯里閥體,分為全襯氟蝶閥和半襯氟蝶閥,控制方式有開關切斷型和智能調節型。電動襯氟蝶閥具有嚴密的密封性能,且不僅有普通蝶閥的機械強度,又能發揮PTFE的耐腐蝕、耐酸堿的化學特性,在一般常規條件下的工況中,比不銹鋼閥體的蝶閥具有更高的性價比。

電動對夾式襯氟蝶閥 電動法蘭襯氟蝶閥 電動襯氟蝶閥應用:
電動襯氟蝶閥是在會與介質接觸的過流部件(碟板,閥體內壁)襯上一層較厚的氟塑料高分子材料,所以也被稱之為電動襯塑蝶閥,適用于各種不同工業管路中液體和氣體(包括蒸氣)的輸送,特別是具有嚴重腐蝕性、沖刷、磨礪介質的使用場合,如:硫酸、氫氟酸、磷酸、氯氣、強堿、王水等具有強腐蝕性的介質,但不適用于有顆粒和溫度偏高的工藝介質中。
電動襯氟蝶閥技術參數:公稱通徑 | DN50~DN1200 (mm) |
公稱壓力 | PN0.6、1.0、1.6MPa |
連接形式 | 對夾式、法蘭式 |
驅動方式 | 電動控制AC220V、AC380V、DC24V |
控制方式 | 開關型、調節型、防爆型 |
動作范圍 | 0~90度 |
適用溫度 | -20℃~180℃ |
閥體材質 | 碳鋼WCB,不銹鋼304,不銹鋼316,316L |
密封材料 | 增強聚四氟乙烯PTFE |
適用介質 | 弱腐蝕性流體以及強酸、強堿、王水等任意具有強腐蝕性的介質 |
電動襯氟蝶閥適用溫度(℃):
1、聚全氟乙烯FEP (F46):-85~150
2、四氟乙烯-乙烯ETFE(F40):-80--220
3、可溶性四氟PFA( FA):-70~200
4、聚四氟乙烯PTFE(F4):-200~180
5、聚偏二氟乙烯PVDF(F2):-70~100
6、改性聚乙烯FRPE(PO):-58~80
不同材料適用于不同溫度和不同介質 電動襯氟蝶閥性能特點:
| 
電動襯氟蝶閥(全襯氟) 電動襯氟蝶閥(半襯氟) |
1、閥體有不銹鋼及其它材質閥體可選,且重量輕,電動開關速度迅速;
2、電動防腐蝶閥密封材料適用壽命長,具有耐老化、耐腐蝕、耐沖刷等特點;
3、可在任何位置安裝,維修方便,法蘭對夾孔連接適用多種標準;
4、電動耐腐蝕蝶閥密封件可以更換,密封性能可靠,能夠達到雙向密封零泄漏。
5、電動防腐蝶閥適用于化學介質,閥板上下中孔處,采用球型摩擦面設計,扭矩力更小,密封性能極佳。
電動襯氟蝶閥性能規范:公稱通徑 | DN(mm) | 50~1200 |
公稱壓力 | PN(MPa) | 0.6 | 1.0 | 1.6 |
試驗壓力 | 強度試驗 | 0.9 | 1.5 | 2.4 |
密封試驗 | 0.66 | 1.1 | 1.76 |
氣密封試驗 | 0.6 | 0.6 | 0.6 |
適用溫度 | ≤180℃ |
適用介質 | 任何具有腐蝕性的介質 |
相關產品:氣動襯氟蝶閥 電動襯氟球閥 電動襯氟截止閥